Ape50 Elaborato Piaggio Schema Elettrico Ape 50 Originale
Ape50 Elaborato Piaggio Schema Elettrico Ape 50 Originale
Ape50 Elaborato Piaggio Schema Elettrico Ape 50 Originale
Diagram Tecnica Ape Piaggio Ac1 Wiring Diagram In Pdf And Cdr Files Format Free Download Wiring Diagram Wiringdiagramfreeutensileaffilato Utensileaffilato It
Scema Ape 50 Fl3 Telaio Tl5t 1996 1999
Diagram Interruttore Differenziale Salvavita Wiring Diagram Full Version Hd Quality Wiring Diagram Diagramreklamnudaperla Nudaperla It
Scema Ape 50 Fl3 Telaio Tl5t 1996 1999
Diagram Interruttore Differenziale Salvavita Wiring Diagram Full Version Hd Quality Wiring Diagram Diagramreklamnudaperla Nudaperla It
Schema Conversione Impianto Elettrico Piaggio 50 Regolatore 5 Ingressi 125 150 180 2t Youtube
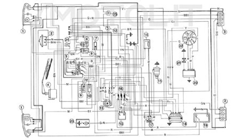
Schema Elettrico Ape 50 Tl3t Fare Di Una Mosca
Schema Elettrico Ape 50 Tl6t Fare Di Una Mosca
Impianto Elettrico Tl4t Elaborazioni E Tecnica Ape Et3 It Il Forum
Impianto Elettrico Electrical Wiring Ape 50 Tl3 Avviamento A Mano Con Schema Ebay
Schema Elettrico Ape 50 Tl6t Fare Di Una Mosca
Stator Plate Support Spools Vespa 50 N V Hp Fl Electric Starter Ape 50 Tm Mix Fl Fl2 Fl3 Electric Starter 5 Pole 199500 9161 Amazon Co Uk Car Motorbike
Operation And Maintenance Piaggio Ape 50 Mod Tl6t Italian Vespadoc
Http Das Apenteuer De Media Downloads Piaggio Ape Servicemanual Pdf
Diagram Interruttore Differenziale Salvavita Wiring Diagram Full Version Hd Quality Wiring Diagram Diagramreklamnudaperla Nudaperla It
Impianto Elettrico Ape 50 Europa In Vendita Ricambi Per Altri Veicoli Ebay
Manuale Per Stazione Di Servizio Ape 50 Vendita Ricambi E Accessori Scooter Vespa E Moto
Http Das Apenteuer De Media Downloads Piaggio Ape Servicemanual Pdf
Operation And Maintenance Piaggio Ape 50 Mod Tl6t Italian Vespadoc
Schema Elettrico Ape 50 Tl6t Fare Di Una Mosca
File Piaggio Ape Poker Jpg Wikipedia
Statore Volano Per Ape 50 Rst Fl3 Cross 256309 Vendita Ricambi E Accessori Scooter Vespa E Moto
Etichetta Posizione Marce Ape 50 Originale Piaggio
Impiantoelettrico File 2688771 Pdf
Diagram Schema Deviatore Luci Wiring Diagram In Pdf And Cdr Files Format Free Download Wiring Diagram Diagramaciontotalcultureweb Cultureweb Fr
Statore Completo Piaggio Ape 50 Cross 3 Fili 5 Bobine Codice Orig 256309
Impianto Elettrico Electrical Wiring Ape 50 Tl3 Avviamento Elettrico Eur 110 00 Picclick Fr
348450 Regolatore Tensione Ducati 12volts 16a C C C A 5 Faston Per Gilera Piaggio 50 125cc Ape V Castiglione Racing Parts
Http Das Apenteuer De Media Downloads Piaggio Ape Servicemanual Pdf
Operation And Maintenance Piaggio Ape 50 Mod Tl6t Italian Vespadoc
Diagram U00bb Luci Psichedeliche Schema Wiring Diagram Full Version Hd Quality Wiring Diagram Bathroomdiagramsvirgilioempoli Virgilioempoli It
Https Www Kjjohnson Ca Piaggio Manuale 20ape 2050 20e 20poker Pdf
Kit Revisione Motore Ape 50 Cono 19 E 20 Guarnizioni Paraoli Cuscinetti Piaggio Ebay
Https Www Fratellischiattarella It Wp Content Uploads 2015 09 Catalogo Figurato Ape 50 1998 2008 Pdf
Ets E Ape 50 5 Bobine Statore Per Vespa Pk 50 125 Auto E Moto Moto Accessori E Componenti
Https Www Mondoape Com Manuali Manuale Stazioni Di Servizio Ape 50 Top Cross Europa Mix 2012 Pdf
Https Www Kjjohnson Ca Piaggio Manuale 20ape 2050 20e 20poker Pdf
Schema Elettrico Ape 50 Tl6t Fare Di Una Mosca
Ape 50 Macchine E Moto In Vendita In Lombardia Kijiji Annunci Di Ebay
Diagram Saldatrice D 50 Con Accessori Wiring Diagram In Pdf And Cdr Files Format Free Download Wiring Diagram Situationaldiagramartisti3000 Artisti3000 It
Piaggio Ape 501 Manual Piaggio Ape 50 Service Manual
Schemi Impianti Elettrici Idm Su Ape 50 Telaio E Impianto Elettrico 2 Tempi
Come Sostituire Il Motorino Di Avviamento Sull Ape 50 Youtube
Manuale Per Stazioni Di Servizio Ape 50 Manuale Per Stazione Di Servizio Ape 50 Vendita Ricambi
Impianto Elettrico Electrical Wiring Ape 50 Tl3 Avviamento Elettrico Eur 110 00 Picclick Fr
Diagram Interruttore Differenziale Salvavita Wiring Diagram Full Version Hd Quality Wiring Diagram Diagramreklamnudaperla Nudaperla It
Diagram U00bb Luci Psichedeliche Schema Wiring Diagram In Pdf And Cdr Files Format Free Download Wiring Diagram Diagramaciontotalcultureweb Cultureweb Fr
Diagram Saldatrice D 50 Con Accessori Wiring Diagram In Pdf And Cdr Files Format Free Download Wiring Diagram Situationaldiagramartisti3000 Artisti3000 It
Impianto Elettrico Ape 50 Ottieni Le Migliori Offerte Ora Top 100 Recensioni
Http Das Apenteuer De Media Downloads Piaggio Ape Servicemanual Pdf
Centralina Accensione Bobina Originale Piaggio Ape Vespa Px Cosa Pk Hp Fratelli Schiattarella Moto Napoli
Diagram U00bb Luci Psichedeliche Schema Wiring Diagram Full Version Hd Quality Wiring Diagram Bathroomdiagramsvirgilioempoli Virgilioempoli It
Gr Cavetti Ape 50 Likesx Com Annunci Gratuiti Case
Amazon It Ape 50 Dispositivi Di Accensione Motori E Componenti Motore Auto E Moto
Scema Ape 50 Fl3 Telaio Tl5t 1996 1999
Targa Florio E Le Corse Siciliane Page 120 Histoires Du Sport Automobile Sport Forum Sport Auto Forum Auto
Regolatori Di Tensione Per L Ape Car Della Piaggio Guidomoto Specialista Vespa Lambretta Ciao E Vintage
Diagram Fiat 126 Bis Workshop Wiring Diagram Full Version Hd Quality Wiring Diagram Diagramsnex Gestionnaire Exos Fr
Diagram U00bb Luci Psichedeliche Schema Wiring Diagram Full Version Hd Quality Wiring Diagram Visualdiagramvostomachinery Vostomachinery Fr
Schema Elettrico Ape 50 Tl6t Fare Di Una Mosca
Ape 50 Macchine E Moto In Vendita In Lombardia Kijiji Annunci Di Ebay
Diagram Fiat 126 Bis Workshop Wiring Diagram Full Version Hd Quality Wiring Diagram Diagramsnex Gestionnaire Exos Fr
Gr Cavetti Ape 50 Likesx Com Annunci Gratuiti Case
Diagram Fiat Tipo 2016 Wiring Diagram Full Version Hd Quality Wiring Diagram Adhocdatabase Chagny Se Transforme Fr
328981 Ducati Centralina Bobina Piaggio Ape Fl3 Europa Tl5t 50 1996 1999 Ebay
Download Manual Piaggio Ape Tm Google Ipad Piaggio Zip 100 Manual Pdf Free Download
Manuale Officina Ape Poker Benzina Afua Ekaterinatitova Ru
Regolatori Di Tensione Per L Ape Car Della Piaggio Guidomoto Specialista Vespa Lambretta Ciao E Vintage
Schemi Impianti Elettrici Idm Su Ape 50 Telaio E Impianto Elettrico 2 Tempi
Operation And Maintenance Piaggio Ape C 150 Italian Vespadoc
Impianto Elettrico Ape 50 Ottieni Le Migliori Offerte Ora Top 100 Recensioni
Https Www Mondoape Com Manuali Manuale Stazioni Di Servizio Ape 50 Top Cross Europa Mix 2012 Pdf
Statore 3 5 Fili Per Ape 50 Fl Fl2 Fl3 Mix Rst Pk Xl 125 S Ets Hp 199500 Eur 29 90 Picclick It
Diagram Schema Deviatore Luci Wiring Diagram In Pdf And Cdr Files Format Free Download Wiring Diagram Diagramaciontotalcultureweb Cultureweb Fr
Diagram Saldatrice D 50 Con Accessori Wiring Diagram In Pdf And Cdr Files Format Free Download Wiring Diagram Situationaldiagramartisti3000 Artisti3000 It
Carburatore Dell Orto Ape 50 Shbc 19 19 Con Mix Miscelatore
Diagram U00bb Luci Psichedeliche Schema Wiring Diagram Full Version Hd Quality Wiring Diagram Bathroomdiagramsvirgilioempoli Virgilioempoli It
Regolatore Tensione Per Ape 50 Rst Mix Cross 2180605 Vendita Ricambi E Accessori Scooter Vespa E Moto
Manuale Per Stazioni Di Servizio Ape 50 Iphone Guide
Diagram Interruttore Differenziale Salvavita Wiring Diagram Full Version Hd Quality Wiring Diagram Diagramreklamnudaperla Nudaperla It
Http Www Padovanet It Sites Default Files Attachment C 1 Allegati 17139 Allegato Pdf
Manuale Per Stazioni Di Servizio Ape 50 Ape P50 Manuale Per Stazioni Di Kj Johnson
Diagram Fiat Tipo 2016 Wiring Diagram Full Version Hd Quality Wiring Diagram Adhocdatabase Chagny Se Transforme Fr
Manopole E Pulsanti Bouton De Leve Vitre Avant Gauche 9065451213 A9065450213 A9065451213 Auto E Moto Ricambi E Accessori Pioneeracademy Ac Bw
Motoricambionline Motoricambionline Cdkmotors Pulsante Stop Idrostop Leva Freno Codice 580953 Aprilia Piaggio Moto Guzzi Entra
Stator Plate Support Spools Vespa 50 N V Hp Fl Electric Starter Ape 50 Tm Mix Fl Fl2 Fl3 Electric Starter 5 Pole 199500 9161 Amazon Co Uk Car Motorbike
Manuale Per Stazioni Di Servizio Ape 50 Iphone Guide
A C Tiquette A C Crite P 400v En Aluminium Pour Piaggio Ape P 400v
Ape 50 Macchine E Moto In Vendita In Lombardia Kijiji Annunci Di Ebay
Filo Avviamento Ape In Vendita Moto Ricambi Ebay
Regolatori Di Tensione Scooter Regolatore Ducati Energia
Ape Mod A Ab Ac D Vespa Mauro Pascoli
Adidas Alphabounce Beyond Burberry
Operation And Maintenance Piaggio Ape C 150 Italian Vespadoc
Commutatori E Deviatori Per L Ape Della Piaggio Guidomoto Specialista Vespa Lambretta Ciao E Vintage

Comments
Post a Comment